Lok Type Fitting 락타입 피팅(Lok Fitting) - Male Elbow NPT / PT
| 제품명 | 락타입 피팅(Lok Fitting) - Male Elbow NPT / PT |
|---|---|
| 특장점 | 하나의 Tubing 과 NPT / PT나사를 |
| 특장점 | 2중 페럴디자인(Double Ferrule Design) |
| 특장점 | ANSI B31.1, ANSI 31.3 규격에 따라 디자인 |
| 특장점 | 극저온부터 고온 (Max 380℃)까지 안전하게 사용 가능 |
| 특장점 | 치수, 금속 및 기계적 균일성이 우수하여 최초 설비(체결) 후 분리와 재조립 용이 |
| 특장점 | 최초 설비(체결)시와 일관된 측정 가능 |
목록으로
본문
Detail view
락타입 피팅(Lok Fitting)플랜트 산업, 화학, 정유, 워터젯, 연구분야 등 산업 전반의 다양한 공정과 시스템 설비 구성에 활용
|
| 하이플럭스의 락피팅 제품군인 FLUXLOK은 발전소나 기계, 배관 장치를 기술적으로 설치하여 제품을 생산, 제조할 수 있는 복합 산업 설비인 플랜트 산업은 물론 화학, 정유, 워터젯, 연구 분야, 기름, 가스 등 산업 전반에 걸친 다양한 공정과 시스템 설비 구성에 활용할 수 있습니다. |
|
Features제품의 특장점을 안내해드립니다.
|
하나의 Tubing 과 NPT / PT나사를 "ㄱ"자로 연결. 2중 페럴디자인(Double ferrule design). ANSI B31.1, ANSI 31.3 규격에 따라 디자인. 극저온부터 고온 (Max 380℃)까지 안전하게 사용 가능. 치수, 금속 및 기계적 균일성이 우수하여 최초 설비(체결) 후 분리와 재조립 용이. NPT (National pipe thread) threads에 맞추어 공급 가능. 최초 설비(체결)시와 일관된 측정 가능. 직선 피팅 제품은 ASTM A479 Stainless steel 316으로 제작. Elbow, Tee, Cross 종류 제품은 ASTM A182 단조 Stainless steel 316으로 제작. 기술자료 : [튜빙 외경 경도]
|
|
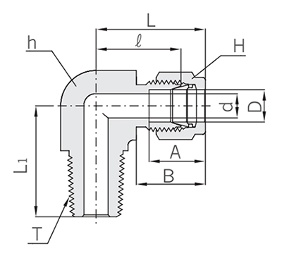
Specification제품별 모델명, 사양, 치수를 안내해드립니다.
|
모든 치수는 참고용으로 실제 사이즈와 다를 수 있습니다. 자세한 문의는 고객지원에서 글을 남겨주시거나 고객센터(042-933-5670)로 문의를 해주시기 바랍니다. 가장 효과적인 Fitting을 위하여 하이플럭스의 FItting Accessory와 Tubing 사용을 권장합니다.
|
|
Information페럴 구조 정보를 안내해드립니다.
|
![]() 2중 페럴(Double ferrule)로 밀폐와 튜브 조임 작용이 분리되어 있으며 각각의 작용에 최적화 됨. 전위 페럴(Front ferrule)은 피팅 몸체에 맞닿아 튜빙 외부 직경에서 1차 밀폐를 도움. 후위 페럴(Back ferrule)은 축방향으로 전위 페럴을 밀어 안쪽으로 힌지작용을 하여 튜빙을 단단히 조임.
|
|
Assembly피팅과 튜브의 조립과정을 안내해드립니다.
|
![]() 1. 튜브를 피팅의 턱에 닿을 때까지 완전히 삽입하고 너트를 손으로 단단히 돌려서 조입니다. 2. 너트를 렌치로 조이기 전에 회전개시 점의 위치를 6번 방향에 표시합니다. 3. 피팅 몸체가 흔들리지 않도록 고정한 후, 너트를 9시 방향으로 1과 1/4바퀴 돌려서 조입니다. |
|
Application다양한 분야에 적용된 제품들을 확인해보세요.
|
FLUXLOK은 당사의 락피팅 제품군을 대표하는 상표명입니다. 하이플럭스 FLUXLOK 락피팅은 화학, 정유, 워터젯, 연구분야, 기름, 가스 산업에 활용할 수 있습니다. 조립 중 튜빙에 토크가 전혀 전달 되어지지 않아 튜빙에 영향을 끼치지 않습니다. 균일한 규격과 기계적 성질로 최초 체결시 조임 상태를 확인할 수 있습니다. |
![]() |
댓글목록
등록된 댓글이 없습니다.


하나의 Tubing 과 NPT / PT나사를 "ㄱ"자로 연결.


FLUXLOK은 당사의 락피팅 제품군을 대표하는 상표명입니다.